Page 2 of 4
Re: another S2 conversion
Posted: Thu Nov 20, 2014 11:49 am
by varia
I couldnt get the car ready for BBQ5 however we made it there, and it was super!
Car is running.Electrical problems (gauges, rogue connectors, etc) are fixed, Finally I have illumination, changed almost all the bulbs...
It has 3" exhaust all the way, a highflow cat and a magnaflow rear muffler. It has a nice tone i think, exactly what i wanted, not too deep, or laud
Fixed the vacuum issues too (didnt have enough), I had to tap in 1/4 NPT fitting to the intake manifold and run a hose to the vacuum distributor












[youtube]https://www.youtube.com/watch?v=GNNdiXsQdKw[/youtube]
[youtube]https://www.youtube.com/watch?v=Nj92B9hVwDw[/youtube]
Re: another S2 conversion
Posted: Thu Nov 20, 2014 5:08 pm
by Afterthought
varia wrote:
Did you put in that OIl pressure sender? Happen to have a part number?
Re: another S2 conversion
Posted: Thu Nov 20, 2014 5:11 pm
by Afterthought
Nice job getting the job done so quick! Seems like while i was already in the middle of my swap you were only in the acquiring parts stage. Everything came out looking real clean and done right!
Re: another S2 conversion
Posted: Thu Nov 20, 2014 5:34 pm
by varia
Afterthought wrote:Did you put in that OIl pressure sender? Happen to have a part number?
First I used the one that came w/ the 3B engine.
But I had problem w/ the oil pressure gauge (it was the harness btw) I swapped one from my 7A engine
I think they are the same. I can look up the part number later
Re: another S2 conversion
Posted: Thu Nov 20, 2014 5:48 pm
by Afterthought
varia wrote:First I used the one that came w/ the 3B engine.
But I had problem w/ the oil pressure gauge (it was the harness btw) I swapped one from my 7A engine
I think they are the same. I can look up the part number later
No worries, I should be able to get the PN for that one... The AAN block I have does not come with a sender for the Aux gauge, only a
single prong open/closed switch (pictured on your block below the 2prong).
I purchsed an LHD S2 Harness from germany and it showed up and was just the same harness I had, so I wired the AAN harness into my car, I have to tie up a couple loose ends, one of them being the oil pressure light is on.
How do you like the vacuum brakes?
I also purchsed a B4 90 booster but it was just too big to fit in there, even the 4000 Booster was tight!
Re: another S2 conversion
Posted: Thu Nov 20, 2014 8:51 pm
by varia
Afterthought wrote:No worries, I should be able to get the PN for that one... The AAN block I have does not come with a sender for the Aux gauge, only a
single prong open/closed switch (pictured on your block below the 2prong).
I purchsed an LHD S2 Harness from germany and it showed up and was just the same harness I had, so I wired the AAN harness into my car, I have to tie up a couple loose ends, one of them being the oil pressure light is on.
How do you like the vacuum brakes?
I also purchsed a B4 90 booster but it was just too big to fit in there, even the 4000 Booster was tight!
#035919561 is the 7A oil "pressure gauge sender"
B4 booster is an inc bigger, thats why i went with one from a B3
Vacuum brake is weird after a good PS brake. Our 1997 A6 has it still, not the same
My brake pedal is firm, but i just dont feel the stopping power, Im not sure if its the booster, vacuum or something else (and my brakes are big)
Maybe i will just install a vacuum pump and call it a day.
Installed the vacuum distribution log:

- IMG_0346.JPG (1.61 MiB) Viewed 41390 times

- IMG_0347.JPG (1.65 MiB) Viewed 41390 times
Re: another S2 conversion
Posted: Fri Nov 21, 2014 1:10 am
by audifreakjim
Looking good Chris!
Re: another S2 conversion
Posted: Fri Nov 21, 2014 1:53 am
by alxdgr8
audifreakjim wrote:Looking good Chris!
+1!
See it at the BBQ next year!
Re: another S2 conversion
Posted: Sat Nov 22, 2014 1:57 pm
by PRY4SNO
Awesome progress, looks really tidy!
Re: another S2 conversion
Posted: Sat Nov 22, 2014 2:02 pm
by Wheeljack
Chris, this is really looking awesome. Not really surprised with your methodical approach. Great work!
Re: another S2 conversion
Posted: Sat Nov 22, 2014 6:14 pm
by varia
Wheeljack wrote:Chris, this is really looking awesome. Not really surprised with your methodical approach. Great work!
Thank you Chris, but you were inspiring me a lot with your CQ build

vacuum
Posted: Fri Nov 28, 2014 12:45 am
by varia
ive got rid off the power ass. brake (bomb) system on my cq. Now I have vacuum booster from a B3 80/90
I re-done my vacuum lines like 3 times, because i think i dont have enough vacuum.
This is my current sutup:

- 3B_Vacuum_Tree1.jpg (157.22 KiB) Viewed 41306 times
I will modify it, installing a vacuum pump from an later a4, with a pressure switch (first i though i will trigger it via the brake light switch)

- 3B_Vacuum_Tree2.jpg (161.77 KiB) Viewed 41306 times

- 8E0927317 2001 a4 vacuum pump.JPG (83.92 KiB) Viewed 41306 times
My question is:
What you guys think about my vacuum booster, is it normal that it makes this darth vader noise when i press the brake pedal?
I can see major vacuum pressure drops on the boost gauge.
https://www.youtube.com/watch?v=ZQSkxwKaADw
Re: another S2 conversion
Posted: Fri Nov 28, 2014 10:21 am
by scubagli
Sounds like the booster is bad.
Re: another S2 conversion
Posted: Fri Nov 28, 2014 1:16 pm
by varia
scubagli wrote:Sounds like the booster is bad.
what a bummer... thats what i though.
anyway, i ordered an used one, to see whats up
Thx
Re: another S2 conversion
Posted: Sat Nov 29, 2014 9:45 pm
by ralleyquattro
I use that vacuum pump on my TDI and its been working great for last 3 years... I used a VOLVO vacuum switch, much better than some of the aftermarket crap.
Unless you get a large vacuum accumulator you will hear that pump on each time you press the brake pedal.
HTH
Re: another S2 conversion
Posted: Sun Nov 30, 2014 12:05 pm
by varia
ralleyquattro wrote:I use that vacuum pump on my TDI and its been working great for last 3 years... I used a VOLVO vacuum switch, much better than some of the aftermarket crap.
Unless you get a large vacuum accumulator you will hear that pump on each time you press the brake pedal.
HTH
Thank you Martin.
Do you have any info on that volvo switch? What year/model?
I got an adjustable smc vacuumswitch just yesterday, but i would like to use an automotive version
How large vacuum accumulator, what did you use?
Thank you!
Chris
Re: another S2 conversion
Posted: Sun Nov 30, 2014 4:13 pm
by ralleyquattro
This one:
http://www.skandix.de/en/spare-parts/br ... m/1025789/I did not use an accumulator, I don't mind the pump noise as the TDI makes wayyy more..

Re: another S2 conversion
Posted: Mon Dec 01, 2014 2:37 am
by varia
Thank you Martin!
I will use the stock cq accumulator for now, better then nothing.
How did you wire it up? And how do you run the vacuum lines?
Thx
Chris
Re: another S2 conversion
Posted: Mon Dec 01, 2014 3:23 am
by ralleyquattro
varia wrote:
Thank you Martin!
I will use the stock cq accumulator for now, better then nothing.
How did you wire it up? And how do you run the vacuum lines?
Thx
Chris
Custom vacuum lines, don't ask from where, I just had a some sitting around.
My car was a V6 and already had the vacuum booster so it was just a matter of running the hose to the stock plastic one.
The vacuum is also used for diff lock control, so in the future I will be getting a vacuum bomb of some sorts in there.
It is wired to ignition +12 via 40Amp fuse i.e. when you the ignition is on, the pump has full supply.
Do not wire it up direct, if you have slightest leak the pump will run by itself and if its significant it will drain your battery in no time.
HTH
Re: another S2 conversion
Posted: Mon Dec 01, 2014 10:02 am
by varia
ralleyquattro wrote:
Custom vacuum lines, don't ask from where, I just had a some sitting around.
My car was a V6 and already had the vacuum booster so it was just a matter of running the hose to the stock plastic one.
The vacuum is also used for diff lock control, so in the future I will be getting a vacuum bomb of some sorts in there.
It is wired to ignition +12 via 40Amp fuse i.e. when you the ignition is on, the pump has full supply.
Do not wire it up direct, if you have slightest leak the pump will run by itself and if its significant it will drain your battery in no time.
HTH
Thank you Martin again! I think i can do the vacuum lines.
How did you wire the volvo vacuum switch?
ignition +12 via 40Amp fuse, to the volvo vacuum switch then to the pump?
Thank you
Chris
Re: another S2 conversion
Posted: Mon Dec 01, 2014 12:22 pm
by ralleyquattro
Vacuum switch is just that.. a switch side (low amps) for the relay.
The power side goes via the relay to the pump.
Remember a 40A fuse in line before the relay.
HTH
Re: another S2 conversion
Posted: Mon Dec 01, 2014 1:04 pm
by varia
ralleyquattro wrote:Vacuum switch is just that.. a switch side (low amps) for the relay.
The power side goes via the relay to the pump.
Remember a 40A fuse in line before the relay.
HTH
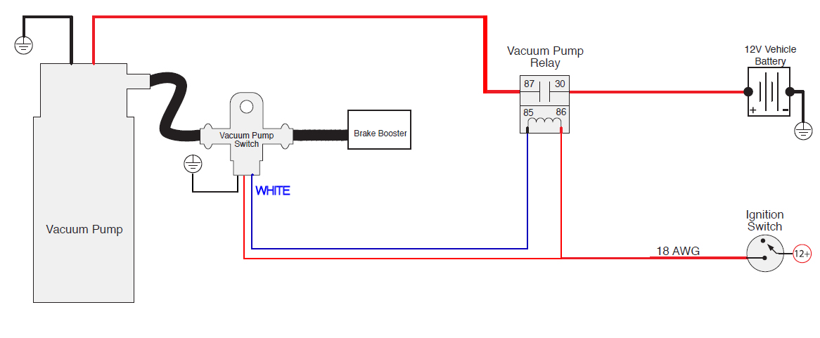
got it. I just wanted to know because my vacuum switch has 3 legs, and adjustable

- wire4.jpg (126.6 KiB) Viewed 41192 times
but i just ordered this volvo switch (its much simpler then mine was) , so i will wire it like this

- wire1.jpg (162.29 KiB) Viewed 41192 times
Thank you again!
Re: another S2 conversion
Posted: Mon Dec 01, 2014 2:15 pm
by ralleyquattro
You got it.
Cheers
Re: another S2 conversion
Posted: Mon Dec 01, 2014 3:29 pm
by audifreakjim
This is great info. Added to the list of must haves

Re: another S2 conversion
Posted: Mon Dec 01, 2014 5:19 pm
by varia
just found this:
2 build in check valve, 1 end goes into the booster, 1 hose goes to the pump, 1 hose goes to the IM
very simple, i like it